캐드 배경 색깔 변경하는 방법입니다.
검정화면을 주로 사용할텐데, 검은 배경에 치수선 등이 파란색이나 보라색 등 어두운 색일 경우 잘 안 보일 수 있습니다.
그럴때는 배경화면을 바꿔주면 해결이 가능하고, 배경을 바꾸는 방법은 아래와 같습니다.
1. op 입력 (option)

창이 뜨면 아래처럼
번호 순서대로 따라가서 원하는 색을 선택하고 적용 및 확인을 누르면 배경 색이 변경됩니다.
화면표시 → 색상 →2D 모형 공간 → 균일한 배경 → 원하는 색상 → 적용 및 닫기 → 확인


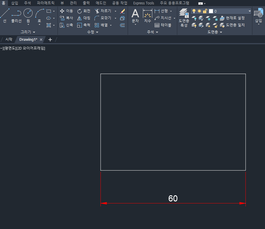
확인을 누르면 아래처럼 배경이 흰색으로 변경된 것을 확인할 수 있습니다.

'Auto Cad' 카테고리의 다른 글
| [ Auto Cad ] 이론적 치수 (사각형(네모) 안에 치수) 넣기 (1) | 2024.04.28 |
|---|---|
| [ Auto Cad ] 글자 밑으로 지시선 설정하는 방법 (LE+S) (1) | 2024.03.03 |
| [ Auto Cad ] 명령어 단축키 변경 방법 (0) | 2024.02.09 |
| [ Auto Cad ] PDF 변환할 때 글자 깨짐 해결 방법 (0) | 2024.02.04 |
| [ Auto Cad ] 치수선 끊는방법 (Dimbreak) (0) | 2023.11.12 |





























